Solfegio Forum
Skema Equalizer 15 Band - Printable Version

+- Solfegio Forum (https://solfegio.com)
+-- Forum: Sound System (https://solfegio.com/forumdisplay.php?fid=4)
+--- Forum: Audio Equipments (https://solfegio.com/forumdisplay.php?fid=22)
+--- Thread: Skema Equalizer 15 Band (/showthread.php?tid=9208)

Pages: 1 2 3 4 5 6 7 8


- pete - 04-01-2012

gambare ilang...


- anom - 05-01-2012

wait tak upload dolo :D


- anom - 05-01-2012

code html untuk nampilin gambar pada ne forum apa ya? Kan kalo yg html standart = <img src="http://"> kaku di sini apa , karna ku pakai hp ni


- anom - 05-01-2012

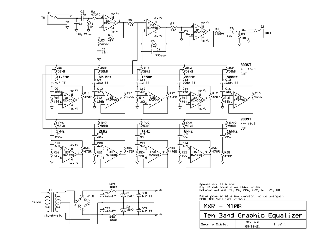
nih alamat linknya mas http://friendbook.jw.lt/img/mxr.png


- EdiPurwanto - 05-01-2012

tak bantu tampilin gambar nya kang


- anom - 05-01-2012

:D ya ya ya makasi. Maklum ku pake hp. gmana menurut mas2 solf mungkin ada yang pernah nyoba. Soalnya rakitanya kayaknya mudah, palagi memakai ic 4558, dan kenapa ko g ada gain ma on of nya ya? Mungkinkah geq diatas layak untk ss


- pete - 12-01-2012

ga' nyonto behringer aj mas..?


- Andycha - 24-02-2012

rangkaian Eq 10 bank


- pete - 26-02-2012

klu aq gni,,, [url="http://a7.sphotos.ak.fbcdn.net/hphotos-ak-snc7/417595_256360931112471_100002156984577_587116_886297971_n.jpg"]http://a7.sphotos.ak.fbcdn.net/hphotos-ak-snc7/417595_256360931112471_100002156984577_587116_886297971_n.jpg[/url] skema bisa pk behringer geq 3102 tp ni yg ku ambil cm 10 band sja.,


- anom - 11-03-2012

Aneh resistornya kayaknya ,Pada geq behringer tadi kok numbernya sulit di dapat di pasaran ya mas? Seperti 1k3 510 dll