31-08-2010, 04:02 PM
![[Image: 168st1.jpg]](http://a.imageshack.us/img705/8779/168st1.jpg)
saya terobsesi dengan ini lho mas emir...he..he..kira2 seperti apa gitu...
|
BAGAIMANA UNJUK KERJA BOX SELENIUM 2x18"
|
|
31-08-2010, 04:02 PM
![]() saya terobsesi dengan ini lho mas emir...he..he..kira2 seperti apa gitu...
31-08-2010, 04:37 PM
terobsesi yang mana? coklat, hitam ato putih? ni cewek keknya akting doang
01-09-2010, 02:53 AM
wah keliatanya bagus tu
01-09-2010, 04:05 AM
Menying link=topic=208.msg1412#msg1412 date=1283247470 Wrote:terobsesi yang mana? coklat, hitam ato putih? ni cewek keknya akting doang he..he..kang menying bisa aja normalnya terobsesi pada keduanya..sory OOT,sambil nunggu terawangan para senior nich..kang emir ,mbk adelia..dll yg demen experiment box...ayo di lanjut biar yg lain lebih mantab utk menentukan ... nuwun
01-09-2010, 04:59 PM
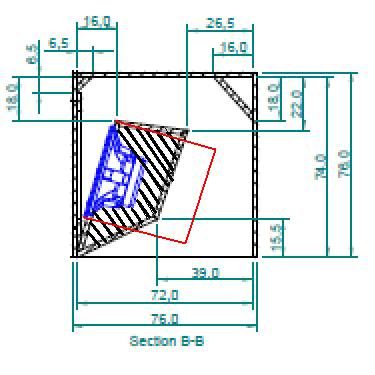
Secara sederhana, box speaker berbentuk kubus. Untuk 18", maka boxnya adalah kubus dengan panjang sisi-sisinya sekitar 55- 60 cm. Dengan ukuran ini maka box speaker sudah layak jika ditinjau dari segi ukuran. Box kubus tersebut bisa dikombinasikan dengan sebuah atau beberapa lobang yang dinamakan port. Sebenarnya tiap jenis speaker membutuhkan ukuran port yang berbeda-beda. Perbedaan yang paling kentara antara box dengan port dan box tanpa port adalah untuk menghasilkan suara dengan kekerasan yang sama, box tanpa port membutuhkan power amplifier dengan kekuatan yang lebih besar. Agar didapatkan suara yang tidak cacat maka dibutuhkan pula kualitas speaker yang lebih baik.
Apa yang terjadi jika ukuran box kubus tersebut diperkecil...? Yang terjadi tentu penurunan repro nada rendah secara signifikan. Untuk mempertahankan nada rendah bisa direpro dengan baik maka diperlukan daya power amplifier yang lebih besar lagi dan kualitas speaker yang jauh lebih baik lagi. Jika Mas Emir mengatakan bahwa box ini nada rendahnya kalah dengan SB 1000, gambar dibawah ini mungkin bisa menjelaskan ![]() Bidang yang saya arsir, minimal harus lebih luas dari bidang dengan garis warna merah agar tercapai volume box yang memenuhi syarat. Karena disain aslinya seperti itu maka ada 2 jalan yang bisa ditempuh. Pertama, merubah semua ukuran box dan kedua, memilih speaker yang jauh lebih baik dengan power yang jauh lebih besar. Mengapa pabrikan besar seperti Silenium membuat disain seperti itu...? Tentu untuk memperoleh jangkauan suara yang jauh. Tetapi silenium tidak ditujukan untuk pasar Indonesia yang umumnya menggunakan speaker murah dan power yang kecil. Perkiraan saya, untuk menyamai SB 1000 yang menggunakan speaker ACR fabolus, Anda harus menggunakan speaker dengan harga sekitar dua bahkan tiga kali lipatnya. Dan tentunya power amplifiernya harus berlipat pula dayanya. Sungguh tidak efisien jika ditinjau dari segi biaya. Masih jauh lebih masuk akal merubah disain boxnya, atau menggunakan box dengan disain yang lain. Nanti kalo ada Zee-zee atau Mas Emir biar ditambahkan.
01-09-2010, 06:35 PM
Wah... saya tidak bisa menjelaskan apapun tanpa saya tahu kekuatan power yang digunakan dan spek dari box speakernya, khususnya tentang range frekwensi dan sebaran suara dari box tersebut.
01-09-2010, 08:53 PM
Kalau buat dangdut, suara rendahnya kurang Mas, tapi mukulnya cukup memang Mas.
01-09-2010, 08:56 PM
Mas Anto melihat jalan keluar udara dari speaker sudah setinggi 18 cm ke 16 cm itu juga sudah cukup besar, saya bermasalah dengan model Ciare. Karena terlalu kecil, sehingga seperti sesak napas Mas, namun setelah di perbesar, sesak napasnya hilang.
01-09-2010, 09:47 PM
Untuk jalan keluar udara memang sudah cukup mas. Tapi bagaimana caranya untuk memperoleh nada yang lumayan rendah kalau tanpa merubah ruang tempat speaker...? Garis merah diatas bukan untuk merubah jalan keluar koq mas... Cuman sebagai gambaran seandainya ruang speakernya diperbesar setidaknya bisa didapatkan nada yang lebih rendah lagi. Maksud saya biar lebih murah daripada memakai speaker mahal dan power besar.
Kira-kira untuk mendapatkan nada yang lebih rendah, modifikasinya dimana mas, selain menambah volume tempat speaker... [img alt=:-?]http://solfegio.com/Smileys/yarex2/thinking.gif[/img] [img alt=:-?]http://solfegio.com/Smileys/yarex2/thinking.gif[/img] [img alt=:-?]http://solfegio.com/Smileys/yarex2/thinking.gif[/img] Kalo saya mendingan saya rubah seperti gambar dibawah nih... Pasti bisa dapet nada lebih rendah daripada aslinya. Cuman sebarannya jadi berubah. Selama gak buat maen di lapangan bola ya gak masalah mas [img alt==))]http://solfegio.com/Smileys/yarex2/rolling_on_the_flor_laughing.gif[/img] [img alt==))]http://solfegio.com/Smileys/yarex2/rolling_on_the_flor_laughing.gif[/img] [img alt==))]http://solfegio.com/Smileys/yarex2/rolling_on_the_flor_laughing.gif[/img] ![]()
07-09-2010, 12:27 AM
Anto Wood link=topic=208.msg1715#msg1715 date=1283352466 Wrote:Untuk jalan keluar udara memang sudah cukup mas. Tapi bagaimana caranya untuk memperoleh nada yang lumayan rendah kalau tanpa merubah ruang tempat speaker...? Garis merah diatas bukan untuk merubah jalan keluar koq mas... Cuman sebagai gambaran seandainya ruang speakernya diperbesar setidaknya bisa didapatkan nada yang lebih rendah lagi. Maksud saya biar lebih murah daripada memakai speaker mahal dan power besar. wah mantab banget ulasanya jadi impresif dengan uraian pak anto dan mas emir .....emang aplikasi nggak pernah di lapangan bola pak...o ya mas emir mau menambahkan lagi...biar jadi lebih mangstaaab.... |
|
« Next Oldest | Next Newest »
|
| Possibly Related Threads… | |||||
| Thread | Author | Replies | Views | Last Post | |
| box spaker 2x18 model ini | totag | 664 | 258,533 |
14-01-2020, 06:37 PM Last Post: afifkurniawan |
|
| RANGKUMAN/KUMPULAN DESAIN BOX SPEKER AUDIO PRO SELENIUM ( JBL ) | Amy_Nur | 80 | 25,617 |
15-12-2019, 12:45 PM Last Post: dadangadi |
|
| Ukuran Box Rcf S8028 / 2X18" ? | Ganduz | 95 | 54,097 |
15-12-2019, 12:44 PM Last Post: dadangadi |
|
| BOK 18" RCF UNTUK TOTOSOUND | nurus s | 49 | 40,827 |
06-02-2018, 06:22 AM Last Post: nurdiwan |
|
| speaker acr premier 18900 18" | Off_ni | 91 | 45,725 |
06-02-2018, 06:19 AM Last Post: nurdiwan |
|
| Finishing "Duratex" untuk lapisan luar | Hgpelangi | 99 | 41,776 |
23-01-2017, 11:45 AM Last Post: javapro |
|
| box 2X18 misteri | desman | 7 | 3,618 |
07-11-2014, 01:51 PM Last Post: samsi |
|
| Box woofer 2x12" ditambah horn PCT | Kartoyo | 6 | 4,583 |
24-06-2014, 07:22 AM Last Post: samsi |
|
| Box Speaker 12" 2 Way | Cayus | 98 | 56,327 |
03-01-2014, 12:35 PM Last Post: anandaaza |
|
| Box 2x18" black spider | Bonank | 108 | 34,558 |
08-10-2013, 11:25 PM Last Post: dekdika |
|